塗工屋稼業奮闘記:乾坤一擲のKタイプ〜奇跡は一度だけしか起こせない
まえがき
この記事は、このブログの前身:In my Cabinets で30年前に掲載した記事が原本になっています。長い間中途に情報を書き加えていくうちに構成や表示に不具合が発生しておりましたので、一括修正・編集して今回改めて再掲載いたします。
かつて磁気メディアの開発エンジニアとして十数年お世話になったコロムビアマグネプロダクツ(株)解散後、前技術部長だった故・田沼さんとふとしたきっかけで再会。フロッピーディスク開発〜奇跡の復活劇の舞台裏をあらためて尋ねられつらつら説明しながら作ったメモを「おもしろいからネットにあげてみたら」という後押しで最初の概略編「フロッピーディスクの作り方」を当時のブログ「In my cabinets - knowledge factory-」に挙げたのが1998年頃、その後田沼さんの急死があって概略版のまましばらく放置状態でしたが、ジブンが会社勤めを離れコロムビアマグネプロダクツ(株)解散から10年ほど経った2005年、既におぼろげだった記憶と僅かばかり残されたフロッピーディスクの記録データをもとに放置状態だった概略版を修正書き足し編集後、ブログ「カングーとさんちゃんとつれあいと」に再掲載したのが本編「塗工屋家業奮闘記」です。


1994年当時 コロムビアマグネプロダクツ工場全景

目次
プロローグ
戦時中は鉄砲の弾を作ってしのいだ日本蓄音機(株)という蓄音機屋さんが株式会社コロムビア機器という名前に代わり、栃木県真岡市でマニアックな高級レコードプレイヤーを生産していました。

DENON DP-75M (1981)
そして時代は石油ショックを経て大きなレコード盤に代わるコンパクトディスクを生み出しますが、日本コロムビア株式会社が、CDプレイヤーの生産を新しい白河工場で始めるにあたり、関連子会社の株式会社コロムビア機器は最盛期の1500名から200名にリストラ人員縮小、レコードプレイヤーの組み立てラインに代わって日本コロムビア川崎工場で開発、製品化した磁気テープの本格生産を始めます。

1975年当時 株式会社コロムビア機器 真岡工場:右端が正門
コロムビアマグネプロダクツ㈱は、日本コロムビア㈱100%出資の子会社で日本コロムビアが日本電気音響(デンオン)を1963年に吸収合併。磁気テープはもともとデンオンが研究開発しNHKなどに納入していたが、吸収合併で日本コロムビアの川崎工場敷地内にテープ工場事業部が設置され業務を引き継ぐ。その後日本コロムビアの前身である日蓄工業の蓄音機工場だった栃木県の真岡工場にテープの開発・製造拠点が移され、磁気テープの需要増にともないテープ事業が独立。1981年、社名も株式会社コロムビアマグネプロダクツに改められ、磁気製品の開発・製造を担うようになりDENONブランドの磁気テープ・カセットテープを世に送り出すことになりました。
-ステレオ時代 vol.16 (発売日2020年03月30日)より一部抜粋-
1984年 US Panf
社内呼称 300 type Shell 1993年最後期型オーディオカセットテープ
その後、株式会社コロムビアマグネプロダクツは、1997年に「解散」という形でその役目を終えるまでカセットテープ・DAT・8mmビデオテープ・フロッピーディスクといった塗布型磁気記録製品を市場に送りだしました。
最終品番 MF2HDRK 3.5inch High Density Floppy Disketto
これは株式会社コロムビアマグネプロダクツで、カセットテープ以後の磁気記録製品としてフロッピーディスク開発に着手し、会社陥落寸前の一時期、出荷数量で世界シェアの20%超をもぎとる製品にまで押し上げたフロッピーディスク技術屋チームに在籍したジブンのお話です。ジブン手持ちだった当時の実験ノート、研究-技術資料、映像資料等のありったけは、会社を離れる前日、大型焼却炉に投げ入れて来ましたから、このお話は手元のフロッピーディスクに残った僅かばかりのデジタル記録と、もはや確度に怪しいジブンの記憶から成り立っています、(2003.4)
フロッピーディスクに関するアカデミックな技術資料としては、産業技術史資料情報センターの資料情報「フロッピーディスクとドライブの技術とビジネス発展の系統化調査」の参照をお勧めします。
現在では株式会社デノンに分離独立してしまったブランド名「DENON」は、1963年に吸収合併した日本電気音響(株)の社名に由来する(電音→デンオン=DENON)と言われています。(参考:日本コロムビア会社沿革)そして磁気テープ製造技術もまた日本電気音響が昭和33年より開発した技術であり、日本コロムビア:川崎工場にあった生産ラインを栃木県真岡市のオーディオ機器組立ライン跡地に移設、設備拡充させてのリスタートさせました。同じ土地に続いた日本蓄音機(株)→(株)コロムビア機器→(株)コロムビアマグネプロダクツという会社でしたが、最後の会社の源流が日本電気音響(株)という、これまた時代の波に飲み込まれた会社であり、失われなかった技術の執着とも終着とも読める終わり方であったのが改めて感慨深いです。(2009.12.13 追記)
※2002年、日本コロムビア株式会社は、エンターテイメント事業部門が社名コロムビアミュージックエンターテイメント株式会社に、電気事業部門が株式会社デノンに分離、分社化されました。
※2010年コロムビアミュージックエンターテイメント株式会社は再び日本コロムビア株式会社に社名変更しました。
フロッピーディスクの概略
フロッピーディスクは、1970年代後半から2000年にかけて用いられたデータの取り扱いを容易にするポータブルコンピュータ記憶装置・記憶媒体で、1967年から開発を始めたIBMが「 IBM 3330」と言うディスクシステム(DASD:Direct Access Storage Device)を世界最初の8インチFDDとして製品化しました。
そして時代とともに8inch、5.25inch、3.5inchサイズと小型化され、より大きな記憶容量(高密度)なものに進化しました。

フロッピーディスクのメディア本体表面は酸化鉄でコーティングされており、ディスクがコンピュータのディスクドライブに挿入されると、このメディア上に情報が磁気的なデータとしてに書き込まれ、データの容易な読み出し、書き換えが可能にします。
3.5インチ フロッピーディスクドライブのしくみ
新入社員の奮闘始まる
1983年春、ジブンは就職が内定していた株式会社コロムビアマグネプロダクツからの依頼で、大学校(旧職業訓練大学校:化学系塗装科)の卒業式を待たずに現場のアルバイトに駆り出されていました。そして入社式を待たずにジブンはそのままフロッピーディスク開発設計チームに配属され、その後13年を過ごすことになりました。

当時フロッピーディスク開発設計チームは、8インチ・フロッピーディスク(以後FDと称する)開発に着手して2年目、ようやく試作サンプルをOEMメーカーに提示できる段階でしたが、カセットテープやビデオテープ(当時開発・製品化中止)等それまでの磁気記録製品とは勝手がが違う丸いドーナツ盤の要求特性に生産手段も含めて手探り状態の開発を続けておりました。

ちなみにカセットテープやビデオテープは厚さ8〜15ミクロンのPETフィルム(注1)に、厚さ5ミクロン程度の磁性層を形成するように磁性塗料(注2)を塗布(ダイレクトグラビアコーティング)してできた製品、そしてFDは厚さ75ミクロンのPETフィルムに厚さ1〜3ミクロンの磁性層を形成させた製品です。

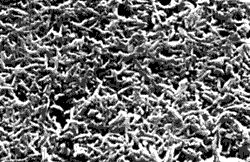
当時、磁性塗料をPETフィルム上に塗布、厚みムラのない3ミクロン(3/1000mm)の磁性層を形成させることは非常に困難で(厚み誤差0.15ミクロンの精度が必要でした)10ミクロン程度のピンホール欠陥を完全には除去仕切れない状況でした。
FD表面の電子顕微鏡画像 ------:2ミクロン
FDの検査機にかける前に一枚ずつ目視でピンホール検査をしていたのを覚えています。なにしろ目視でも使えそうなものは20〜30枚に1枚、検査器を通過するのは更にその1割に過ぎないという状況で、1000枚のサンプルを出荷するのは結構骨の折れる作業でした。
なんとか磁性塗料の塗布、磁性層の成膜方法が安定し、良品メディアの歩留まりが上がり出すと当面の開発設計課題は2点に絞られました。

・FDの連続使用耐久性
・FDヘッド-アブラシビティー
「耐久性」の問題とは磁気ヘッドがフロッピーディスク上を滑走したときの塗布膜(磁性層)の耐久性のことで、当時の試作品(A type)は、試験環境によっては100万回に達する前に磁性層が剥離することもあり、評価の論外にありました。そして「ヘッド-アブラシビティー」とは聞き慣れない言葉ですが「磁気ヘッドを劣化させない、摩耗させない特性」評価のことで、未使用FDトラックのみに連続して磁気ヘッドを滑走させたときの記録・再生出力の変化を評価するもので、当時のOEM打診先であった Shugart Associates社の8インチFDD:SA800を立ち上げる。
普通 に考えるとそれくらいで磁気ヘッドの性能が劣化するとは思えませんが、この試験評価方法で試作FDは磁気ヘッドの性能を確実に10〜20%劣化させてしまうことが判明。

Shugart Associates社の8インチFDD:SA800用片面ボタン型磁気ヘッド
この現象は米国:Shugart社製の8インチFDDに搭載される”純正Shugart社製磁気ヘッド”で生じるもので、後年Shugart社が製造委託した松下寿電子社製の同型FDD/磁気ヘッドでは発生しない、もしくは発生が軽微であることも判明。FDD機器の製造品質にも課題があったとは言え、この現象を発生させない他社フロッピーディスクが存在しShugart社へのOEM供給を目指す以上はなんとしても克服しなければならない問題でありました。

磁気ヘッド加速摩耗試験前後の磁気ヘッド表面
※磁気ヘッド表面にダメージを与える原因、出力低下の原因ともにそのメカニズムを解明出来ずにいました。

試験前後の磁気ヘッド・スライダ損傷部分のSEM像

試験後の磁気ヘッド・コア部分のSEM像
対策試作を繰り返すもこの問題を突破する手がかりもつかめないまま半年が過ぎ、製品の完成に大きく立ちはだかる壁になっていました。
注1)飲料水の容器に使われている「PETボトル」と基本的には同じ類の樹脂フィルム。PETは「ポリエチレン・テレ・テレフタレート」の略称.
注2)磁性塗料:磁性を有する針状結晶の酸化鉄(Fe2O3) 粉を有機樹脂(塩化ビニル樹脂、ウレタン樹脂等)に分散させて作った塗料。 乾燥させて形成させた塗膜表面 の電子顕微鏡画像を見ると、酸化鉄粉が樹脂でくるまれて互いに接着している様子が解ります。
日立研究所第52研究室 出向命令
入社5ヶ月後の1983年9月、急遽日立研究所(茨城県日立市)への出向を言い渡されました。本社(当時の日本コロムビア株式会社)からの「日立グループ内での相互活用を」にテーマを探していた折の抜擢、というよりも当て馬に使われたというのが本当かもしれないですが、とにかく磁気ヘッドの摩耗/出力低下対策研究ということで日立研究所第52研究室への出向が決まりました。昨年まで大学校で研究論文をこねこねしただけの素人同然の自分にやれるのだろうか、不安だらけの始まりで(この時点では誰も自分に解決など期待していないわけですが)はじめの半年間はテーマである「ヘッド-アブラシビティー対策」の手がかりどころか何をやればいいのかさえ見つからずに過ぎていきました。当時はバブル期前夜という時期でしたから、日立製作所/研究所内の雰囲気も余裕いっぱいなわけで、時間は持て余すほどあるのに何をやっていいのか皆目検討も つかない、しょうがないから図書館で文献を読み漁ったり、磁気ヘッドのセラミック材、パーマロイ等の材料工学をやってる研究室に出掛けてみたり、当時ドラ イブ開発をやっていた日立家電研究所に出張したり、日立化成で潤滑材研究をやってる人間がいると聞けばおじゃましたり、、、それでも目に見えるほどの手がかりもなく、淡々時間が過ぎてました。
1984年春、株式会社コロムビアマグネプロダクツでも毎週のように試作品の製造を繰り返していましたが満足な結果を得られないでいました。磁気ヘッドが摩耗しないようにするには...滑りやすくすればいい、と誰もが考えます。実際にFDと磁気ヘッドとの摺動抵抗を計測する機材を設計し、みかけの摩擦係数を下げたFDを試作してみましたが、ヘッドアブラシビティー試験では旨い結果を得ることができないでいました。
磁気ヘッドの摺動評価〜「技術者は科学者でなくていい」
あるとき「実際に摺動している状態を見たい」という気になりましたが、どうしたら摺動面(磁気ヘッドと摺動しているFDの接触面)を観察できるのか思いあたりません。しばらくして頭に浮かんだのが、大学校の卒業論文「光弾性測定による応力剪断ひずみの解析」に用いた応力ひずみによる光干渉縞のイメージ。摺動評価がそんな風にできれば... ただFDも磁気ヘッドも透明ではない。だめなんだろうか....学生時代のある研究室の教授が「技術者(エンジニア)とはモノ作りのアイデアを提供する者、カタチにする者であって科学者である必要はない」と言ってたことがあります。問題を探るのに科学的なアプローチは有効かもしれませんが、理屈に囚われるのは愚の骨頂、思いつくことは何でも試してみよう...みたいな話でしたが、このときの心境はまさにそんな処から発したものでした
1984年夏、研究所に来て一年が過ぎようとしていました。海岸線の断崖にある日立・大甕工場の寮に寝泊まりしだして半年、すぐ断崖の下が絶好のサーフ・スポットで、サマータイムの退社時間(PM4:20)からサーフィンに繰り出すこともできました。遅々として具体的な成果も上がらず、八方塞がりの状況、入社2年目の新人に誰も期待しているはずはないでしょうが、誰も具体的になにをやれとは言いません。そして当たり前のことですが、誰もどうすればいいのか教えてはくれません。
ちょうど波を削り取るサーフィンの軌跡のように...そんな事を思いつきました。そんな都合のいいものがあるだろうか....FDには予め潤滑剤成分を含有させているのでミクロ的には潤滑剤成分が磁気ヘッドとFDの間に介在しています。接触・滑走がスムーズであればコンタクト状況は変わらないはずだから...磁気ヘッド表面を乳化剤、界面活性剤、油剤等で覆い一定時間FDを滑走させた後の磁気ヘッド表面の状態を観察することを思いつきました。うまくいく気はしませんでしだが....結果としてはこれが媒体の摺動評価の決め手になりました。αスルフォン酸ナトリウム/xxx脂肪酸エーテル2.5%アセトン溶液で磁気ヘッド表面に薄い皮膜を形成し、FDを摺動させると媒体磁性膜の堅さ、潤滑剤の種類等で、摺動後に残る皮膜状況が明らかに異なることが解りました。
| 磁気ヘッドの加速摩耗試験におけるレプリカの変化(図3) | |
| (初期の摺動状況レプリカ) | 経過5時間後 |
|
|
|
| 10時間後 | 20時間後 |
| (図3)中央の白い部分が磁気ヘッドとFDの摺動エリアで、試験経過とともに形状が変化していくのがわかります。 摺動初期の摺動面は安定した円形をしており、周辺部分が穏やかな2重縁を形成しています。 時間経過とともに摺動面が変化していきますが(図1)のダメージ部分と比較すると明らかなように、摺動面のうち、強く当たるようになった部分にダメージが大きいです。試験中途の周辺部分の大きな乱れは、摺動面が不均一になっていく過程で、一定の面圧でFDと摺動しなくなったことを表しています。アブラシビティー試験で良好な結果であるメーカーのFDは、大きな摺動変化がないことも確認されました。 | |

上:磁気ヘッド加速摩耗試験で摩耗が認められないFD
下: 摩耗が顕著なFD
※いずれも初期摺動状況
犯人は誰か...
---日立研究所日記---
1983年当時、世は好景気のバブル時代を迎えており、自分の会社では実感しくいそんな世相も、ここではそこここで散見されました。秋には研究所職員の大運動会があり、就業時間中にも関わらず、近くの日立海岸まで出かけて「綱引き」「玉入れ」の練習をしていたし、ポスター描きの残業までしていたのだから世は大らかな時代でありました。偶数月にはスポーツ大会(野球、バレーボール、水泳等)、奇数月には文化大会(かるた、将棋、囲碁等)が毎月催され、華やかさに事欠きませんでした。ただ研究所は24時間の不夜城で、新入研究員の女性でも10時過ぎま自由(?)研究が許されていたし、自分自身月間160時間の残業が許されてもいました(労働協約上は上限40時間)お祭り騒ぎの時代にエンジニアは皆自由に働きバチを演じられていたわけです。
実際にFDサンプルを作成して評価するしかない。FD潤滑剤の検討のため、研究所から工場に戻っている時間が長くなっていました。そしてもう一つ検証しておきたい事が...FDには潤滑剤の他に「研磨剤」と称してアルミナ粉末を添加していました。実質的にアルミナ粉末なしにはFD媒体膜の強度を保てないという経験からです。アルミナ粉末の平均粒度や分布を含め初期の試作段階で幾つかの種類に絞って検討していましたが、よく考えるとヘッドとの接触面に最もコンタクトが強いのはアルミナ粒なんです。粒度分布についてはメーカーから資料を予め提供してもらっていましたが、実際に検査できる設備もなく検証できていませんでした。選定しておいた数種のアルミナ粉末を日立研究所に精密粒度分布測定を依頼、そこで出てきたデータは、メーカー資料とほとんどかわりがなかったものの、最大3%程度平均粒径の10倍以上のものが混入していることが解りました。
乾坤一擲のKタイプ!
1984 年秋、磁気媒体メーカー各社がFD市場に打って出るなか、コロムビアマグネプロダクツは、NASHUA社へのOEM出荷を目指して試作を繰り返えすも課題を突破するには至っていませんでした。迎えたKタイプ生産試作、塗料配合には磁性塗膜の粘弾性測定で低温〜高温域で安定挙動を示す材料(新規に検討していたカルボキシル基を有するウレタン樹脂とAL-M硬化材とのマッチング)と、日立研究所での研究結果からフィードバックした粒度分布が特にシャープなアルミナ粉末、滑走評価が良好であった潤滑剤セットを投入しました。「試作サンプルでうまくいったことが果たして生産試作段階で再現するのか」と危惧したKタイプですが、みごと磁気ヘッド加速摩耗試験で基準をクリア、さらにKタイプは磁気ヘッドを痛めないだけでなく、製品化の際に媒体表面を磨く(バニッシュ)行程で標準研磨テープでは磨けない程の磁性膜強度を持つFDでもありました。

8inch Flexible Disk Drive

8inch FD

5.25inch FD
Kタイプはサンプル出荷した米:3Mから「Exellent」評価をもらう完成度に達し、その後小改良を重ねてRタイプに発展しますが、基本骨格はそのままに1997年の稼働停止まで10年以上生産される長寿モデルとなりました。
---帰社日記---
1983年の夏以降1年半の出向を終え帰社することが決まった。 日立海岸の絶壁に立つ無人棟の日立大甕工場寮に独りで住むのに慣れたのはいつ頃だったか、水平線から昇る朝日で目が覚める生活が名残惜しくもありました。一転帰社してからまず困ったのが工場の見知った人間はおろか、部署の人間の名前が出て来ない。何しろ自分の会社にいたのが半年、日立研究所にいたのが1年半なのだから、ほとんど新入社員と変わらなかったです。「観察すること」そして「推理すること」それから「仮説を立てて対策を考える」そんな当然に思えるコトを、身に滲みる程トレーニングした1年半でした。「教えてくれるヒトは誰もいない」あればこそとも言えました。
| model :DFDXR | |||
| 1 | MAGNETIC POWDER | 20 | MRD |
| 2 | ADDITIVES | 0.3 | DDP−2 |
| 3 | ADDITIVES | 1.5 | U−4 |
| 4 | ADDITIVES | 1.5 | AKP−3000 |
| 5 | ADDITIVES | 0.66 | K.B |
| 6 | ADDITIVES | 1.3 | R410 |
| 7 | BINDER | 4.2 | Sleck-A |
| 8 | BINDER | 8.0 | MAU−5020 |
| 9 | ADDITIVES | 3.7 | HL−38EX |
| 10 | ADDITIVES | 0.5 | YT−101 |
| 11 | ADDITIVES | 21.0 | AL−M |
| 12 | ADDITIVES | 1.2 | TP−68 |
| 13 | 1993.12.17 MYG-9649 | ||
2017.6追記
国内向け製品のCM掲載もしてたんですね...最近まで知らなかったですよ。
もっと早くに知っていれば何の仕事してるか友人や親にも説明しやすかったやもしれませんが...80年代中盤、まだわかりにくい製品でした。
ーーーーーーーーーーーーーーーーーーーーーーー
本命3.5インチ〜製品化なるも課題山積み
1985年、5.25HD媒体の開発は昨年より別チームでの開発が進められ製品化したものの、8インチ開発での技術をそのままフィードバックすることが難しく改めて新しいチャレンジが必要になっていました。

社内にて次期市場向けのFD製品化検討が本格化しソニーが提案する3.5インチFD(1980年MFD発表)、松下/日立が提案する3インチFDのいづれかが本命と目されるようになりました。その後ライセンス費の無償化に動いたソニー規格が結果的には(1984 年に Apple の Macintosh に初採用、 1987 年 にIBMが2Mバイト3.5インチMFDDをIBM PS/2 に標準装備)世界標準になり我が社でも本格的な製品化開発がスタートします。

1984.1 アップル社が3.5FDD搭載パソコン
マッキントッシュを発表
3.5inch Floppy Disk Outline chart


---工場日記---
1985年当時、磁気テープ(カセットテープ、ビデオテープ)フロッピーディスク等は最先端技術のように扱われていましたが、工場内を見回してみても蔦の絡まる旧舎が目立つのんびりした、それこそ世間が想像する舞台には程遠い風景が広がっていました。開発といってもTDK、マクセル、富士フイルムといった大メーカーの1/5以下の人員だったのではないでしょうか。(フロッピーディスク開発は総員5〜6名の所帯)表題の「塗工屋稼業」どおり磁気テープやフロッピーディスクの製造は「磁性塗料」作りから始まり、PETフィルムへの「塗工」までを行って出来る稼業ですが、有機溶剤(トルエン、メチルエチルケトン)の飽和蒸気と発ガン性物質(カーボン、磁性粉等)にまみれながらガスマスクを付けての作業を想像する人は皆無ではないでしょうか。試作棟の外に無造作に有機溶剤入りのドラム缶が置かれていたり、30m先に焼却塔があって野焼き同然に盛大に廃材を燃やして...それで済まされていた時代、田んぼの中にたたずむ工場でした。
1985年末、3.5インチ2DDモデルの開発・早期製品化が最優先の中、暫定ながらも製品化の目処が立ってきました。しかしながら基本スペックはなんとかクリアしたものの、製品歩留まりは10%以下でとても生産品という段階ではありませんでした。それでもソニー、日立マクセルに次ぎ製品化を急いでいた富士フィルムからOEM供給の依頼が入り、急遽出荷体制を組むことに。(もちろん自社ブランド製品は未だ手つかず)出荷体制と言っても技術部の開発スタッフが手作りで注文数をこなすというもの、差し入れの寿司をつまみながらの作業で3.5 2DDモデル;3,000枚の製品初出荷となりました。そして翌86年、3.5インチ2DDモデルも技術部と生産部門との調整を続けなんとか製造移管されますが、歩留まりは依然60%程度でしかありません。
媒体にはM.P(ミッシングパルス:塗膜欠陥等)、E.P(エキストラパルス)の低減が急務でしたし、シェル筐体の勘合時に発生する溶着粉がMPを発生させる問題やハブフランジの最適角度の検討、ハブフランジへ媒体接合する両面接着リングの検討、等々歩留まりに関わる課題は山積みでした。とりわけ肝心の媒体本体で発生するMP/EPに関しては、根本的なところで何かが違う感がありましたし、3.5FD媒体の耐久性/耐候性とも目標スペックには達してはいませんでした。またFDドライブの新型両面ヘッドでは8インチFDで試みた摺動評価方法がとれず、3.5FD媒体の摺動状態を評価する新たな手法が必要でした。
|
8インチFD 磁気ヘッド |
3.5インチFD 磁気ヘッド |
|
ボタン型片面ヘッド
兎毛パッド支持 |
(図は片側、2DD、2HD等の両面タイプでは、FD媒体を挟み込む形で対向位置に同形ヘッドが配置される) |
1980年当時の8インチFDドライブは、片側に磁気ヘッドが固定され、対向側からFDを兎毛パッドで磁気ヘッドに押しつける構造になっていました。3.5インチ2HDが登場する頃には、FDの両面に角形スライダの磁気ヘッドが装着され。ジンバル構造のバネを持ち、FDのたわみにも追従できるように設計されました。
3.5インチ フロッピーディスクドライブのしくみ ヘッドの特徴
---開発日記---
根本的なところで何かが違う感がありました。
このときは特効薬だのみに磁性塗料の配合を少し弄ったところで改善されるような問題ではないと直感していたのか、毎週のように設計試作を繰り返す中、確実に無力だと感じていました。ここから1年また自分だけがチームと違う病に取り憑かれることになります。「磁性塗料の製造プロセスに問題がある」それは先人のやり方にケチをつけるということになります。「教えてくれるヒトがいない」課題には慣れていましたが、今度はいろいろ雑音が入ったりする作業でもありました。
HDD(ハードディスク)やCD-R/DVD-Rはヘッドが媒体と非接触であるのに対して、FDは常に磁気ヘッドと接触して摺動しているので、FDの耐久性というのは主に耐摩耗性/耐衝撃性/耐スクラッチ性のことをいいます。
FDの耐久性を高めるには媒体塗膜強度を上げるのに併せて。磁気ヘッドとの摺動状態を良好に維持する「潤滑剤」なるものを媒体内に添加もしくは塗布していました。最終的にFDの耐久性を評価するには実際にドライブさせるわけですが、当時カタログに記載されていた「連続1000万回の耐久性!」を唄うには何ヶ月も試験を行わなければならず、試作段階でそんな悠長なことはやれないので短時間のうちに耐久性向上の指針になる何らかの評価手法が必要でした。
・通常よりも高加重の磁気ヘッドで運転したときの耐久性を測定する耐荷重試験
・摺動する磁気ヘッドに加わる円周方向の負荷・挙動を測定する摩擦測定
新たな媒体摺動評価方法として、ガラス製模擬ヘッドを2HDドライブの片側に装着し模擬ヘッド越しにFD媒体と磁気ヘッドの滑走状態を観察できる実験機を作成しました。FD媒体と模擬ヘッドの摺動面に潤滑剤(油層)の走行渦が観察される事を確認、さら模擬ヘッドの代わりに極薄プレパラートガラスを用いて観察したところ(対面側の)磁気ヘッドとFD媒体の摺動挙動がより詳細に観察されることが解りました。(観察される油状の渦や流れを潤滑渦・潤滑流と呼んだ)
潤滑流・潤滑渦の観測



※潤滑渦・潤滑流(磁気ヘッド形状は参考。実際に見える訳ではない)
各社のFD媒体を比較観察すると磁気ヘッド四隅の潤滑渦の大きさや拡散周期に特徴があり、潤滑流の濃度(油層厚)も異なっていました。また走行(回転)前後端での潤滑流・渦の差異が顕著に観察されました。走行時の環境変化(温湿度)でもこれらの状況が変化します。ある程度観察を続けると、媒体にスクラッチが入る前に潤滑流・渦が大きく変化することも解ってきました。試作媒体におけるこれらの事象とその他の試験結果を照らし合わせ、FD媒体の摺動安定性を高める、ひいては耐久性向上の指針としました。
日立研究所に出向していた折、HDD薄膜ヘッドのフライングシュミレーション実験を見に行ったことがありました。8インチ磁気ヘッドではレプリカ判定という手法で研究成果に繋げられましたが、実はこのときボタン型ヘッドでも同様の実験を行っていました。しかし磁気ヘッドの損傷領域があまりに微細な範囲で起こっていた事や、緩い球面のボタンヘッドを使う場合には、さらに超極薄のプレパラートガラスを使わねばならない等、目的に合致していませんでした。後日、日立研究所の主任研究員から「再度、研究所に行ってやろう」と誘われましたが、これ以上会社の外にいると何屋さんか解らなくなるので丁重にお断りしてもらいました。そう案外こういう研究職の方が向いていたのかもしれません。
※当時撮影した観察映像は残念ながら焼却炉に放り込んで現存しません。
不純物を取り除くには〜新規製造システム開発の道のり
塗膜表面のM.P、E.P発生箇所をSEM(電子顕微鏡)で覗く日々が続き、EPの主要因は超微小(1〜3ミクロン)な「金属の破片」であることが解ってきました。当時、磁性塗料の製造工程に用いる分散機(※1)にはスチールビーズを使っていたし、分散機シリンダ内壁、回転翼もスチール製で、磁性塗料原液を作っている間にそれらはみるみる減っていくものだったので、まさにEPの発生原因を製造しているようなものでした。
※1:磁性塗料は磁性粉(<1ミクロン)、バインダ(接着剤樹脂)とカーボン、アルミナ等の機能性粉体及び機能性添加剤を有機溶剤と混合した後、これら各個の微粉末をバインダでくるんだ状態で均一に分散させなければいけません。その分散処理に使われるのが分散機で、回転翼を中心軸線上に配置したシリンダ内にビーズ球体(1〜5mm)を充填し、混合液を入れてかき混ぜてやる機械です。(多数の方式の分散機がある)
![]() |
![]() |
対策として...
分散機メーカーに試作協力を仰ぎセラミック製の回転翼と内筒を提供してもらうことになりました。しかしながら高粘度の磁性塗料の分散工程ではセラミック製内筒は水冷ジャケットの冷却能力が圧倒的に不足して魔法瓶のような状態となり使い物になりません。また回転翼にはビーズ高充填時に強度的な問題があることも判明しました。冷却能力を確保しつつ内筒の表面摩耗強度を上げる試みとして、ステンレス材内筒壁表面に1000℃以上で溶解させたセラミック(ジルコニア)を吹き付けて溶射皮膜を形成させたものを試作したこともありましたが(熱膨張率の違いなのか、基材同士の相性なのか...)セラミック被膜/ステンレスの密着強度が十分でなく回転翼が近い部分の被膜自体が剥離して使い物になりません。

そこで超鋼(タングステン-コバルト)材質の回転翼を特注、内筒は同材質での制作が不可能であるため内筒壁表面に超鋼同等材質を容射処理後、成形表面をダイヤモンド切削して制作しました。また接合フランジには一転して耐溶剤性プラスチック樹脂という柔らかい材料を用いるなどにより、耐摩耗性を数段向上させた分散機を独自開発しました。
【特開平05-143984】磁性塗料の製造装置
モトクロッサーのエンジンシリンダの摩耗軽減に使われるシリンダ内壁「爆着メッキ」...というモーターサイクル記事にヒントに、日立研究所出向時に見せてもらったTiN(窒化チタン)コーティングの打診や金属表面処理業者を訪ねてこちらの要望を打診、セラミック材被膜に始まり幾つかの溶射皮膜で試作品を作成しました。最終的にはWC比率をあげた WC-Co-Cr超鋼溶射被膜(試作品では表面があからさまにゴツゴツで到底使い物にならない様相でしたが)更にダイヤモンド表面切削仕上げ加工を追加することで、摩耗によるコンタミを押さえ製造機として通用する耐久性を得ることに成功しました。
当初社内の人間にはなはだ非常識な企てに映っていたようでしたが、結果的に以下に続く新規の原液製造工程に不可欠の要素技術になりました。また偶然判明したことではありますが、ある摺動状況では「金属より柔らかいプラスチックの方が摩耗しない」というのは目からウロコな発見でして、塗料搬送ポンプをプラスチックで試作したりもしました。
塗料分散機の素材開発をにらみつつ分散工程の見直し及び原液配合調整のための実験を並行して行っていました
1)分散効率を上げるための分散機のチューニング
2)磁性塗膜の強度を落とすことなく分散効率が上がる原液配合/処理工程
3)バッチ分散方式(※2)
を同時に満たすことが必要でした。
まず「スチールビーズ」を廃棄することを前提に、ビーズ材質/ビーズ比重/ビーズ径/シリンダへの充填率/回転翼速度をパラメータに、塗料の分散速度経過、磁性塗膜にしたときの強度/磁気特性を調べる小実験を繰り返した結果、次項目の知見が得られました。
- 高粘度下での1次分散ではビーズ比重が高い程よい結果が得られた。
分散機内で急激に増粘するため適切なビーズ対流を分散機内で起こすには高比重なビーズが必要と推察される〜スチールビーズを使い続けた理由でもあった。 - セラミックビーズは、真球になる程摩耗が少なかった。
非球型B社のセラミックビーズは分散機稼働で偏摩耗〜コンタミ発生、真球型A社のセラミックビーズは20%以上、摩耗進行が遅い。 - 真球タイプのセラミックビーズは、小球形程1次分散のスピードを促進する。
- 真球タイプのセラミックビーズは、分散機に高充填程1次分散のスピードを促進する。
実験結果から、開発した分散機では1.5mm小径の真球セラミックビーズを見かけ充填率82→87.5%(仮想容積比率)という高充填運転が望ましいとする結論を得ました。
ちなみに通常シリンダにセラミックビーズを使用するとシリンダ摩耗が倍化するためセラミックシリンダとの組み合わせをメーカーは推奨していましたが、シリンダ冷却が極端に悪くなり温度上昇が顕著となるためビーズ充填率を下げざるを得ず分散効率は低下してしまいます。ここで先行開発した超鋼溶射シリンダは、耐摩耗性と冷却能力を両立させ目指すところの分散能力をフルに発揮してくれました。
従来生産に供していた<単漕循環分散方式>では理屈上分散分布を均等化できたとしても、過分散/未分散領域は必ず存在し弊害が大きいし、最初の原料投入撹拌だけでは均質な溶解状態を形成し得ないため、完全分散器通過のバッチ型を提案、分散効率を上げた分散機チューニングと併せ<2漕バッチ分散方式>へ移行させました。
<従来の単漕循環分散方式>

<2漕バッチ分散方式>

<2漕バッチ分散方式>への移行に併せて新しい磁性塗料の原液配合の調整が必要でしたが、ここでは塗装欠陥を減少させるための課題として、流動特性を改良して薄膜塗装に適した磁性塗料に調整した「塗り易い磁性塗料」を目指し、昇華染料「AZR-200」の添加→流動改質をメーカー試作させた1次バインダ:塩化ビニル樹脂「C-130A」→2次バインダ:変性ウレタン樹脂「MAU-5022」を過渡期モデルで積極的にトライしていきました。結果として薄膜塗装(※1)に適した流動特性が得られ、作業現場の負担を軽減するとともに、塗装欠陥を大幅に減少させることができました。磁性塗料の流動特性を改良し「鉄粉」発生を除去した第一段階にあたる新しいシステムで作られ始めた1987年後半、E.P発生率は激減し歩留まりは80%までに向上、3.5 2HDの開発・製品化が成ったのです。
品番 MF2HDRA
3.5inch High Density Floppy Disketto
※1:8インチ、5.25インチFDでは、75ミクロン厚のPETフィルムに約3.5ミクロン厚の磁性塗膜を均一に形成させるように塗装しますが、5.25 HD、3.5 2DDでは約2ミクロン、3.5HDで1ミクロンという均一な極薄膜を得るためには、なお一層グラビアロール塗装/スムージングに最適な流動特性を得る磁性塗料である必要がありました。
1986年夏、分散機の開発・チューニングにより分散効率をなかば「力づく」で達成できる見込みが立って来た頃、流動特性に優れるバインダの改良をメインテーマに考えるようになっていました。「オーディオテープの作り方ではないな」と考えながらも、直感だけが頼りでした。
不純物を取り除くには〜再び
市場が成熟するにつれ価格競争が起き、一段と歩留まりのいいFD媒体を要求されるようになりました。やがて規格以上の品質(オーバースペック)下での歩留まり競争に発展していくのは業界の常です。(当時の日本製品全般がそうやって世界から一目おかれる地位にまで昇っていったんですね)それに伴って工場設備の更なるスペックアップが要求され、問題点の抽出に奔走していました。とりわけ一旦減少させたEPエラーのさらなる撲滅に集中しました。
開発投入した分散機の運転規則の細かな見直しから始まり、塗装機のグラビアロールに接するスチールブレードの変更等、そろそろ改良項目が見あたらなくなった頃、私にとって最後に残った疑わしき物、安定運転に不可欠な部品は、原液搬送用「ポンプ」でした。従来から使用していた鋳鉄性の汎用ポンプは磁性塗料に対して元々摩耗しやすい代物で、代替機としてモーノポンプや耐溶剤性に優れるエンジニアリングプラスチック製ポンプを独自設計して使ってみましたが、耐久性や搬送精度を含めて根本解決には至りませんでした。
同時期、<2漕バッチ分散方式>から<連続分散方式>への移行を机上シュミレーションし少量試作実験を繰り返していましたが、理屈上は原液搬送流量を現在の1/5程度に抑えかつ正確な流量制御精度が必要で、従来のポンプでは全く能力不足であることも解っていました。ある日の昼休みに手にした工業新聞に掲載されていた京都の会社が出した「精密ポンプ製作します」の広告を見つけて電話してみました。こちらの必要案件を伝えたところ、以前にTDK千曲川工場のビデオラインで同様の注文があり納品実績があるという。早速仕様を摺り合わせ、こちらの条件を加味したものが設計可能か打診、各部を高精度切削で仕上げられた超鋼合金製ボディーの組立型ポンプで「1基:150万円」従来の鋳鉄ポンプが2〜3万円であることを考えると破格の値段でしたが、予算外の特別裁量で購入を決めました。
---開発日記---
「1基:150万円」の塗料搬送ポンプは社内的には前代未聞でしたが、超鋼溶射シリンダの前例実績もあってか廻りはしぶしぶOKしたように記憶しています。生産技術部ではずいぶんと「そんなもの必要ない!」と言われましたが、不思議と「大丈夫」と思わせるくらいに送られてきたポンプにはオーラがあったんです。結果的にはこのポンプが無ければ最終構想の製造ラインは成り立たないくらいのキーデバイスであったわけですが、当初はまぁ冷ややかな目が向けられていたのは言うまでもありません。超鋼合金製精密ポンプによる磁性塗料原液の搬送精度により<連続分散方式>への移行が見えてきました。
併せて従来撹拌タンク内に材料投入していた1次分散工程の前に<混練工程>を導入、超高粘度で混練処理後、有機溶媒で段階溶解させることで1次分散工程を更に均一化させられることで混合不良物による初期ポンプ噛み込み事故防止を目的としました。超鋼合金製精密ポンプを使うにはこの工程導入は必須でしたが、その後の分散工程の効率化への波及効果は非常に大きかったです。混練→溶融処理工程により分散機内での急激な増粘が緩和され、分散機内のビーズを見かけ充填率87.5→95%という高充填で運転出来るようになり、塗料分散効率を向上させられました。併せてポンプの微小流量制御時にも配管内の摺動抵抗が少なく、残留物を無くすことを目的にテフロンチューブ配管が使えるようになりました。
磁性塗料原液の「精密フィルタシステム」も併せて導入。
従来の<単漕循環分散方式>ではすぐに目詰まりして使えなかったものも、<2漕バッチ分散方式>では想定の1ランク微細なフィルタが常用できるまでになりました。
机上シュミレーションから少量実験を経てアレンジしたデータを投入し、<連続分散方式>移行のための設計試作を開始。このとき1990年も暮れようとしていましたが、あと一歩のところまでにたどり着いていました。
<連続分散方式>

翌年初頭、数度の設計試作を経た<連続分散方式>のひな形(4漕バッチ分散による仮想連続分散)とフィルタシステムを使い製造したFD媒体は、これまでの最高歩留まり(MF2HD 89%)を記録し<連続分散方式>生産プラント建設にゴーサインが出されました。
---開発日記---
<連続分散方式>を初めて机上シュミレーションした時には先輩達から「無理、無理」と鼻で笑われておりました。幾度も「無理、無理」と言われたモノ、先輩達が試して得た結論を覆すのに4年もかかってしまいました。
ーーーーーーーーーーーーーーーーーーーーーーーー
2017.3 日々の雑感
あとから考えると「たったこれだけのコトを思いつくのに何故何年も掛かったんだろう」と思ったりするのですが、インターネットも無い当時のことですから、思いついたコトを試すにもツールを探すにもニュースソースは限られた紙媒体、足を運び、話を聞かないと手に入らないことが多く、なかなか一歩一歩が困難な状況でありました。何より経験と実績がモノを言うヒトの「常識の範疇」で出来上がっている職場にあって、そこをはみ出したトライにはジブンの中にも常識的な疑念がいつもあったのですが、いつの頃か「皆と同じように考えても埒が明かない、ジブンの腑に落ちることをやろう」と開き直れるようになってから、ジブンの中では仕事が面白く進められるようになりました。「新規製造システム開発の道のり」とか大層なタイトルインデックスですが、ホントの肝の部分の考え方は、学生時代のレストラン・コックバイトの頃に作っていたベシャメルソースの作り方「小麦粉を均一にペースト状に練って」→「ダマにならないように牛乳で伸ばして」→「布巾で濾してきめ細かく仕上げる」に習って製造方法を組み立て直したに過ぎません。混練前処理も、フィルターシステムも常識的に必要なモノだったんです。唯一ジブンで頑張ったなと思えるのは分散機を全ばらしてカスタマイズしたくだりですが、同時期、会社の寮でバイク改造作業をゴソゴソやっていたり、元々そんなことするのが好きだった性格が功を奏しただけなのかもしれません。なんの事はない入社当時から局面、局面でジブンの仕事の肝の部分は、学業の賜物なんかじゃなくて学生時代のバイトや趣味の知識と経験に助けられていました。無理くりオモシロイ話にこしらえた感はありますが、実際「常識の範疇」だけで仕事をしていたらとてもこんな展開にはならなかったでしょう。
これを踏まえて教訓を垂れる気もありません。たまたま旨くいったジブンのお話を”そんなこともあるのか”くらいに楽しんでいただければ幸いです。
新型(3.5インチ)MF2HDの実力
株式会社コロムビアマグネプロダクツで製造されるフロッピーディスクの一部は、日本コロムビア株式会社の「DENON」ブランドとして国内市場に投入されていましたが、98%以上の大半は海外のアッセンブリメーカーへFD媒体のみを100枚単位でケース梱包した状態(「クッキー」と呼ばれる)でOEM輸出されました。
「DENON」ブランドとして国内販売はしていたものの、パソコンに無縁な日本コロムビアの営業力を期待しても詮ない話で国内シェア2%そこそこでは無いも同じ、どんなに原価計算したところで赤字の垂れ流し、工場サイドでは「名刺代わり」と割り切っていたものの、それなりに日本コロムビアとしての営業成績も残す必要があり、いろいろチャレンジングな製品も企画させてもらいました。

MF2HD Macintoshフォーマット済み製品
チキチキバンバン猛レース・キャラクタデザイン
キャラクタ・デスクトップアイコン付き
→デスクトップ・デザイン導入
OEM戦争
1989年には本格的な出荷が始まり、日立マクセル、富士フイルム、TDK、帝人等の国内メーカーとの出荷競争となり、価格はもちろん歩留まりの優劣で苛烈な競り合いとなって行き、1992年以降は<連続分散方式>の新規生産プラントが立ち上がり、競争力を増した新型MF2HD(3.5インチ)クッキーの海外出荷数量は飛躍的に上昇しました。
海外工場へのプレゼンテーションに使用したのが下記のグラフです。
原液設備開発、原液配合改良とともに製造工程メインテナンスを充実させた結果、塗装時や加工時に起因する塗膜欠陥を排除し、MPレベルは大幅に改善され唯一他社レベルに劣ると言われ続けたEPレベルにおいても同等以上のレベルに達して、OEM顧客先で直接競合となることが多かった帝人製媒体に対してもアドバンテージある品質を獲得できました。

<モデルチェンジ前後での当社比較>

<新型MF2HDの他社比較:MPレベル>

<新型MF2HDの他社比較:EPレベル>

<新型MF2HDの研磨時間と表面光沢度/2F出力>

「研磨テープよりも硬い」と評された8インチFD並みとはいきませんでしたが、MF2ED(4MB)開発で評価されたR410カーボンを追加添加することにより耐研磨(バーニッシュ)性が向上し、競合他社が苦慮するOEM先組立工場でのFD表面加工精度の大きなブレ幅に対しても均一に安定した(2F)高出力を得られるようになりました。もともと耐スティッキング対策用に添加したR410カーボンですが、高湿度下でのヘッド摺動を安定化させるなど副産物も多かったのです。
| model :DFMHXD | |||
| 1 | MAGNETIC POWDER | 20 | XD8219 |
| 2 | ADDITIVES | 0.3 | DDP−2 |
| 3 | ADDITIVES | 3.0 | U−4 |
| 4 | ADDITIVES | 1.0 | R410 |
| 5 | ADDITIVES | 0.98 | K.B |
| 6 | |||
| 7 | BINDER | 4.0 | MR110 |
| 8 | BINDER | 8.6 | MAU−5022 |
| 9 | ADDITIVES | 4.0 | #2 |
| 10 | ADDITIVES | 0.5 | YT−101 |
| 11 | ADDITIVES | 0.03 | AL−M |
| 12 | ADDITIVES | 0.4 | TDS |
| 13 | ADDITIVES | 0.2 | BES |
| 1992.4.24 MTG-9665 | |||
2012.1追記
2011年放映のTBSドラマ『下町ロケット』第1作・第5話、ロケット燃料調圧バルブ採用の品質試験で原因不明のトラブルが発生、徹夜の突貫で原因追求し遂に原因を突き止める...というくだりがありましたが、原因も含めて似たような経験を思い出します。1993年当時のMF2HDクッキー最大の出荷先だった中国・珠海のフロッピーディスク組立工場の品質試験において完成品歩留まりが50%程度と、クッキー出荷前検査(95%)に遥かに及ばないと指摘を受け、問題解決のため1ヶ月程程出張したことがあります。連日組立工場のシステムチェックをしても歩留まりを低下させる原因が掴めず、そろそろ中華料理を体が受け付けなくなってきた頃、メディア表面を磨く工程を経た製品の表面に微細な点々を発見、そこからは直感※でしたが、研磨工程の動作に使うエアーに水分が混入(圧縮時に飽和水蒸気量を超えた)したと推測、コンプレッサー後に水分除去用フィルターを追加してドライエアーを確保するよう改修、完成品歩留まりを80%台後半まで改善させ客先に供給製品品質を証明できました。
※日立研究所出向時、超々高解像度電子顕微鏡に使う複数台の真空ポンプとドライエアー対策に妙に感心した記憶が残っており、直感的に微細な点々=”水滴”と推測しました。
1990年〜メディア開発に一区切り出来た頃、フロッピーディスク技術開発・設計部門と工場管理部門間で効率的な情報共有が出来るようにと仕様書、指図書等をMacintosh/HyperCardスタックでデータベース化し、昔々に使われて放置されいた工場の内線電話ケーブルを使ってLANネットワークを構築してみました。



結果的には、青焼き書面に判子を貰いに駆け回る昔ながらのやり方が改まることもなく、製品管理も山のような伝票を掻き分け手作業でこなすのが変わることはありませんでした。
2007.5追記
まだ世間にLANなど普及していない時代、まだパソコンを使ってくれない世代相手にいろいろ工夫してみたものの、「パシコン用記録メディアを製造している会社」であっても、働く人達のほとんどはフツーにパソコン音痴な人達でしたからデータベースが社内で活用されることはほとんどありませんでした。マルチメディア革命と言われるのは5年以上後、パソコンが使えない人は生き残れないと言われるIT革命で世間が騒ぐのは10年以上後になるまだまだ黎明期な時代でした。
奇跡は一度だけしか起こせない
次世代メディア開発
1991年、バリウムフェライトを使用したMF2ED:4MBを東芝が開発/市販開始したのを受け製品開発スタート、またメタルパウダーを使用したNEC案規格(MF2TD:13.3MB、MF2SD:28MB)キャノン案規格:20MBについて試作品提供を、後輩部員1名と自分がそれぞれを担当し先行開発着手。
| FD Capacity | 2HD (2MB) |
2ED (4MB) |
2TD (13.3MB) |
2SD (28MB) |
| Particle | Co-iron oxide | Ba-ferrite | Metal | Metal |
| Hc(kA/m) | 60 | 65 | 120 | 130 |
| Ms(em2/g) | 70 | 60-70 | 135 | 150 |
| Linear Density(kbpi) | 17.4 | 35 | 36.5 | 52.5 |
| Rotate Speed(rpm) | 300 | 300 | 360 | 600 |
| Track Servo Data encoding Error-CorrectingCode |
- MFM - |
- MFM - |
Sector MFM ○ |
Sector 2-7RLL ○ |
| Thickness(μm) | 1.0 | 2.0 | 1.0 | 0.5〜1.0 (W-coating) |
MF2EDは、新たにバリウムフェライトに対する分散効果を顕著に発揮するグリコールエーテルのリン酸化物を採用、R410カーボン効果の確認後、これまでで最も短期開発で1992年商品化に移行しました。【特開平05-128492】磁気記録媒体
この頃になると、仕事の成果に自信も持てるようになりMF2ED発売時に初めてキャッチコピーを入れてみる余裕も出来ていました。「H.A.M(Hyper Advanced Milling)分散技術により、高出力の電磁変換特性と....」「H.A.M」とは、実際は自分と後輩部員2人の頭文字を使った言葉遊びでもありました。
MF2TDは、MF2ED開発の延長線上で単相塗布による磁性層形成でしたが、MF2SDでは下層にR425カーボン/潤滑層を形成後に高密度磁性層をW-Coatingする手法でメディア特性の改善にトライしておりました。
1994年、NEC、キャノン案規格の撤退に伴いメタルFD(MF2TD、MF2SD)は開発中止、以降商品化に向けたフロッピーディスクの新しい規格が提案されることなく新規製品開発業務は終了しました。
MF2ED、MF2TDはそれまでのFD開発要素を投入し早期の段階で基本目標を達成できましたが、もはや次世代メディアとなり得ない予感もあり、自分の「塗工屋」としての仕事は終わりだなと実感していました。MF2HDの熟成は完成の域に達し、以降は海外支援セールスやPCデザインワークの構築、国内向け製品開発等に手を染めていくことになります。それは現在に至る別の出発点になったのですが、それはまた別のお話に譲ります。
〜奇跡の終焉〜
1993 -1994年工場全体のFD出荷数量とりわけ3.5インチクッキーの生産出荷数量はピークを迎えていました。パソコンが一般に行き渡り既にCD-ROMが登場していましたが標準搭載には至っておらず、Windows95(当初MF2HD 24枚組で提供される)やMacintoshの大規模なシステムバージョンアップ(Syastem7 当初MF2HD 18枚組で提供される)の全世界的規模の動きがあったからです。最盛年度の3.5インチメディア換算生産は8500万枚※を記録するほどでしたから、世界中の3.5インチFDメーカー製品には結構な割合でこの工場から出荷された3.5インチクッキーが内蔵されていたと思われます。
※永らく”月産8500万枚”と記載しておりましたが、年度の3.5インチメディア換算生産数の誤りでした。

全世界フロッピーディスク出荷枚数の推移 ※1
会社工場設立以来の絶頂時に、コロムビアグループの社内報には業績赤字から急反転の「奇跡の復活!」の文字が躍っていましたが、すでに会社の将来を危惧する出来事は起こっていました。工場全体の製品構成がフロッピーディスク、カセットテープ、DAT、磁気カードリボン、研磨テープ(8mmビデオは中止)というなか将来に伸びしろを期待できる製品がなかったのです。1995年以降の中期予算計画に意見を求められ「必ずFD出荷数は急下降します」と具申していましたが下方修正予算など作成できる状況でもなく工場上層部は微増予算を答申せざるを得ませんでした。

全世界 3.5 インチ MFD の売上金額※1

全世界3.5 インチ MFD の単価 ※1
※1:TSR FDD 市場推移データ(from 1980 to 2010)
産業技術史資料情報センター、かはく技術史大系(技術の系統化調査報告書) より抜粋

経済産業省「機械統計年報」フレキシブルディスクの国内生産量推移
産業技術史資料情報センター「イノベーション100選:3.5インチフロッピーディスク」に記載の経済産業省「機械統計年報」フレキシブルディスクの国内生産量推移によれば「爆発的な伸びは経済産業省が小型フロッピーディスクの統計を取り始めた1989年以降も増加を続け、1993 年には2億枚を超え、その生産額も500億円に迫った。1980年代後半から海外生産へ生産拠点をシフトした日本企業の生産はその後も拡大し、1988年の生産額では、世界需要の90%以上を日系企業が提供するものとなったといわれる」はあまりに過小数量であり、中国やメキシコ、インドその他の発展途上国での組立生産向けに出荷していたメディア数量を把握していたとは思えず、「機械統計年報のそれは市場全体の一部いわゆる”日本製完成品”の出荷数量だったと思われます(2024.5)
同時期、光ディスク研究開発を目的に日本コロムビア:川崎研究部に出向していた技術部員から基本研究段階の終了しプロトタイプを含む工場建設が具申されましたが、日本コロムビアと工場上層部との話し合いが持たれた結果、光ディスクの事業化案は消滅。最低でも20億円超を設備投資する体力がなかったのか、市場性を見通せなかったからか、とにかく次世代メディア事業化の可能性は消えました。次世代記憶媒体の本命であるCD-ROMに特化した設備導入も具申していましたが却下され1994年以降リストラ、他社出向が実施され同時に新規事業開発推進の号令鳴るも取って代わる代案なく翌年には会社・工場閉鎖の方向で労使協議に入り、1996年3月、株式会社コロムビアマグネプロダクツは解散という形でその歴史を終えることになりました。
---後記:2005.9.10---
ハンディースティックメモリーが1GBになろうという時代、フロッピーディスクは標準搭載しないPCもある程、記録メディアとしては過去の遺物になろうとしています。まるで化石時代を見るような気がしますが、フロッピーディスクがPC市場に溢れていたのは、ほんの10年ほど前の出来事だったのだと改めて驚きます。会社解散後、ジブンは日本コロムビアに移籍、WEB上に当時をあからさまに記すことがためらわれましたが、現在は会社を離れて当時の関係者の勧めもありここに当時の会社(コロムビアマグネプロダクツ)と自分の関わりを記述してみました。
入社後間もない新入社員を日立研究所に出向させたり、行く先もあいまいな海外に放り出してくれたり、とんでもない我がままを聞いてくれたり、波瀾万丈に過ごさせてくれた会社でした。仕事に関しては、誰よりも失敗していた気がします。答えを見つけるのは難しいですが、その廻りの失敗はたくさん見つかって、答えはその隣にいるはずだと確信するまで失敗しました。それは日立研究所に出向していた頃に学んだいちばんのことで、答えが見つからないと「自分は給料分働いているか?」と自問しながら通ったもんです。「賢者2人に凡人5人と愚者3人、それで10人の会社はうまく廻る」とは誰に聞いたか忘れてしまいましたが、最後は会社に賢者が足りなかったのかもしれません。「もしも」は会社の舵取りをした人間の裁量を責めるにはあたらないお話ですが、そんな可能性もあったんだと当時を振り返るお話のひとつは...
1989年当時海外サポートで台湾Megamedia社を訪れた際、案内役をお願いした陳老人から「何故、コロムビアマグネはビデオテープを売ってくれなかったのか?」と聞かれた事があります。1980年初頭、世界のビデオ生産基地は台湾にあり中身のビデオテープの大半は日本から輸入していたそうです。自分の入社直前ビデオテープの開発が終了し製品化を検討していたとき、陳老人はビデオテープの供給要請に工場を訪問したことがあったそうです。しかし工場はビデオテープの製品化を中止、陳老人は代わりに株式会社ソニーケミカルからの供給を受け、当時台湾で稼働していた65%のビデオアッセンブル工場で使われたそうです。もしあのときコロムビアマグネ工場がビデオテープを生産していたら、もし輸出重視で動いていたら、その後は違っていたかもしれません。そしてもしCD-ROM専用(情報メディア)部門が設置できていたら、もし光メディア事業を展開していたら、結果は違っていたかもしれませんが、もしフロッピーディスクのOEM輸出積極施策をとらなかったら、会社閉鎖はもっと早かったでしょうし、光メディア事業に新規参入し業界屈指の品質性能と言われたクラレ(MD)東ソー(MOディスク)が早々に撤退を余儀なくされたのを見るにつけ、コロムビアマグネがその後のメディア戦争に生き残れた可能性は低かったのではないでしょうか。
会社解散が決まってから自分の記録や資料、実験データ等の大半は、自分の手で焼却炉の中に放り入れて来ましたので、手元のフロッピーディスクに残っていたデータともはや危うい記憶を頼りにこの文章は成り立っています。(当時、資料の保全命令はなかったので...)指摘があれば変更があるやもしれません。予めご了承ください。

<株式会社コロムビアマグネプロダクツ:技術部 1989年>
解散から20年後のあとがき
たまに日本コロムビア・旧川崎工場で磁気テープを扱っていた方や、コロムビアマグネプロダクツ(株)で働いておられた方からメール連絡をいただきますが、面識のない先輩諸氏の方も多くお尋ねに関してはろくな返答も出来ず、ジブンは身の回りで起こった僅かばかりのコトしか知らないのだとあらためて恐縮するばかりです。

平成22年(2010)に発刊された
元ソニー㈱エンジニア〜3.5インチFD開発者:中山氏による著書
理論上の裏付けと規格あればこその製品化です。
令和元年(2019)消滅してしまったと思われている磁気メディアですが、超容量バックアップテープ(Ba-Fe)や一部のセキュリティーカード・テープとしての需要はまだ健在のようで、つい先日も当時の後輩エンジニアから会社は変わったものの塗布型磁気製品の仕事は継続している旨、連絡がありました。最後まで続けられる生業を得ることがますます難しくなっている現代にあってそれは幸せなことかもしれません。
2023年現在、フロッピーディスクはいまも世界中で現役らしい
最盛期には1億枚くらいOEM用 3.5フロッピーディスク「クッキー」を海外輸出していましたから、もしかしたら世界のどこぞには ”陽にかざすと透ける”ウチのフロッピーディスクが働いているやもです。
ーーーーーーーーーーーーーーーーーーーーーー

















